HQ45微阻球形止回閥采用橡膠包皮球為閥瓣,在介質的作用下可在閥體內的滑道上滾動從而打開或關閉閥門。流量大流阻損失小密封性能好消聲關閉可減小水擊波。水平或垂自安裝均可。HQ45微阻球形止回閥可用于冷水、熱水、工業及生活污水等管網的水泵出口防止介質倒流。

| 型 號 | 公稱壓力 (MPa) | 殼體試驗 壓力(MPa) | 密封試驗 壓力(MPd) | 閥體材料 | 球體材料 |
|---|---|---|---|---|---|
| HQ44 45X10 | 1.0 | 1.5 | 1.1 | 鑄鐵 | 碳鋼包膠 |
| HQ44 45X16 | 1.6 | 2.4 | 1.76 |
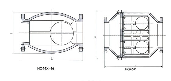
| HQ45X-10 16外尺寸 | ||||||||||||
|---|---|---|---|---|---|---|---|---|---|---|---|---|
| 公稱通徑 | 200 | 250 | 300 | 350 | 400 | 450 | 500 | 600 | 700 | 800 | 900 | 1000 |
| L(mm) | 550 | 650 | 750 | 850 | 950 | 1050 | 1150 | 1350 | 1450 | 1650 | 1900 | 2100 |
| H(mm) | 510 | 570 | 640 | 715 | 815 | 825 | 980 | 1155 | 1260 | 1350 | 1660 | 1700 |
| 連接尺寸 | 法蘭連接尺寸PNl 0MP0接GB421 6 4—8,4+PNl 6MP0按GB4216 5—84標準 | |||||||||||
HQ44X單球微阻球形止回閥、HQ45X雙球微阻球形止回閥都是采用橡膠包皮球為閥瓣,他們的原理是在介質的作用下,可在閥體內的滑道上前后滾動,從而起到打開或關閉閥門。HQ44X單球微阻球形止回閥、HQ45X雙球微阻球形止回閥主要特點是流量大,流阻壓力損失小,密封性能好,消聲關閉,可減小水擊波。水平或垂直安裝均可。微阻球形止回閥可用于冷水、熱水、工業及生活污水等管網的水泵出口,防止介質倒流。為了防止介質逆流,在設備、裝置和管道上都應安裝止回閥
溫馨提示:
本文中所有文字、數據、圖片均只適用于參考。需要查看更多的HQ45微阻球形止回閥性能參數、結構尺寸參數、價格等詳情,或要求印刷樣本,請聯系我們。
主營產品:氣動調節閥 - 電動調節閥 - 自力式調節閥
版版權所有 © 上海大田閥門管道工程有限公司
地址:上海市浦東新區川宏路528號宏圖大樓5樓
