H41國標升降式止回閥選用于公稱壓力PN1.6~6.4MPa,工作溫度-29~550℃的石油、化工、火力電站等各種工況的管路上。適用介質為:水、油品、蒸汽等。
止回閥又稱為逆流閥、逆止閥、背壓閥、單向閥。這類閥門是靠管路中介質本身的流動產生的力而自動開啟和關閉的,屬于一種自動閥門。止回閥用于管路系統,其主要作用是防止介質倒流、防止泵及其驅動電機反轉,以及容器內介質的泄放。止回閥還可用于給其中的壓力可能升至超過主系統壓力的輔助系統提供補給的管路上。
可按用戶要求設計制造不同結構形式和連接形式的止回閥,為各種設備配套使用。
| 類 型 | 設計與制造 | 結構長度 | 法蘭尺寸 | 壓力溫度 | 試驗-檢驗 |
|---|---|---|---|---|---|
| 旋啟式止回閥 | GB12236 | GB12221 | GB9113 JB79 | GB9131 | GB/T13927 JB/9092 |
| 升降式止回閥 | GB12235 |
| 公稱壓力 | 1.6 | 2.5 | 4.0 | 6.4 | 10.0 | 16.0 |
|---|---|---|---|---|---|---|
| 強度試驗 | 2.4 | 3.8 | 6.0 | 9.6 | 15.0 | 24.0 |
| 水密封試驗 | 1.8 | 2.8 | 4.4 | 7.0 | 11.0 | 18.0 |
| 氣密封試驗 | 0.5-0.7 | |||||
| 體、蓋、板 | 閥 桿 | 密封面 | 墊 片 | 密封面 | 工作溫度℃ | 適用介質 |
|---|---|---|---|---|---|---|
| WCB | WCB | 1Cr13 | 增強柔性石墨 1Cr13/ 柔性石墨 PTFE 齒輪墊片 |
13Cr STL 本體材料 尼龍 |
≤425 | 水蒸汽油品 |
| WC6 | WC6 | ≤540 | ||||
| WC9 | WC9 | ≤570 | ||||
| ZGCr5Mo | ZGCr5Mo | ≤550 | ||||
| ZG1Cr18Ni9Ti | ZG1Cr18Ni9Ti | ZG1Cr18Ni9Ti | ≤200 | 硝酸類 | ||
| ZG1Cr18Ni12Mo9Ti | ZG1Cr18Ni12Mo9Ti | ZG1Cr18Ni12Mo9Ti | ≤200 | 醋酸類 |

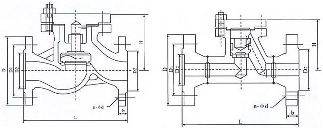
| 1.6MPa | DN | L | D | D1 | D2 | b | n-Φd | H | W(kg) |
|---|---|---|---|---|---|---|---|---|---|
| 凸面法蘭 RF H41H H41Y H41W H41N 16C 16P 16R |
15 | 130 | 95 | 65 | 45 | 14 | 4-14 | 58 | 2.0 |
| 20 | 150 | 105 | 75 | 55 | 14 | 4-14 | 63 | 2.7 | |
| 25 | 160 | 115 | 85 | 65 | 14 | 4-14 | 71 | 3.5 | |
| 32 | 180 | 135 | 100 | 78 | 16 | 4-18 | 84 | 5.4 | |
| 40 | 200 | 145 | 110 | 85 | 16 | 4-18 | 96 | 6.5 | |
| 50 | 230 | 160 | 125 | 100 | 16 | 4-18 | 115 | 9.1 | |
| 65 | 290 | 180 | 145 | 120 | 18 | 4-18 | 145 | 14 | |
| 80 | 310 | 195 | 160 | 135 | 20 | 8-18 | 156 | 25 | |
| 100 | 350 | 215 | 180 | 155 | 20 | 8-18 | 170 | 40 | |
| 125 | 400 | 245 | 210 | 185 | 22 | 8-18 | 201 | 56 | |
| 150 | 480 | 280 | 240 | 210 | 24 | 8-23 | 238 | 90 | |
| 2.5MPa | 15 | 130 | 95 | 65 | 45 | 16 | 4-14 | 60 | 4 |
| 凸面法蘭 RF H41H H41Y H41W H41N 25 25P 25R |
20 | 150 | 105 | 75 | 55 | 16 | 4-14 | 64 | 5 |
| 25 | 160 | 115 | 85 | 65 | 16 | 4-14 | 68 | 6 | |
| 32 | 180 | 135 | 100 | 78 | 18 | 4-18 | 79 | 9 | |
| 40 | 200 | 145 | 110 | 85 | 18 | 4-18 | 98 | 12 | |
| 50 | 230 | 160 | 125 | 100 | 20 | 4-18 | 110 | 16 | |
| 65 | 290 | 180 | 145 | 120 | 22 | 8-18 | 160 | 24 | |
| 80 | 310 | 195 | 160 | 135 | 22 | 8-18 | 170 | 31 | |
| 100 | 350 | 230 | 190 | 160 | 24 | 8-23 | 195 | 45 | |
| 125 | 400 | 270 | 220 | 188 | 28 | 8-25 | 225 | 68 | |
| 150 | 480 | 300 | 250 | 210 | 30 | 8-25 | 255 | 100 |
| 4.0MPa | DN | L | D | D1 | D2 | b | n-d | H | 重量 |
|---|---|---|---|---|---|---|---|---|---|
| 凹凸法蘭 MFM H41H H41Y H41W H41N 40 40P 40R 40I |
15 | 130 | 95 | 65 | 40 | 16 | 4-14 | 100 | 4 |
| 20 | 150 | 105 | 75 | 51 | 16 | 4-14 | 105 | 5 | |
| 25 | 160 | 115 | 85 | 58 | 16 | 4-14 | 120 | 6 | |
| 32 | 180 | 135 | 100 | 66 | 18 | 4-18 | 130 | 9 | |
| 40 | 200 | 145 | 110 | 76 | 18 | 4-18 | 135 | 12 | |
| 50 | 230 | 160 | 125 | 88 | 20 | 4-18 | 149 | 15 | |
| 65 | 290 | 180 | 145 | 110 | 22 | 8-18 | 164 | 18 | |
| 80 | 310 | 195 | 160 | 121 | 22 | 8-18 | 169 | 25 | |
| 100 | 350 | 230 | 190 | 150 | 24 | 8-23 | 194 | 35 | |
| 125 | 400 | 270 | 220 | 176 | 28 | 8-25 | 225 | 65 | |
| 150 | 480 | 300 | 250 | 204 | 30 | 8-25 | 255 | 100 | |
| 6.4MPa | 15 | 210 | 105 | 75 | 40 | 18 | 4-14 | 100 | 7 |
| 凹凸法蘭 MFM H41H H41Y H41W H41N 64 64P 64R 64I |
20 | 230 | 125 | 90 | 51 | 20 | 4-18 | 110 | 11 |
| 25 | 230 | 135 | 100 | 58 | 22 | 4-18 | 125 | 13 | |
| 32 | 260 | 150 | 110 | 66 | 24 | 4-23 | 152 | 14 | |
| 40 | 260 | 165 | 125 | 76 | 24 | 4-23 | 168 | 20 | |
| 50 | 300 | 175 | 135 | 88 | 26 | 4-23 | 170 | 23 | |
| 65 | 340 | 200 | 160 | 110 | 28 | 8-23 | 188 | 37 | |
| 80 | 380 | 210 | 170 | 121 | 30 | 8-23 | 205 | 46 | |
| 100 | 430 | 250 | 200 | 150 | 32 | 8-25 | 230 | 68 | |
| 125 | 500 | 295 | 240 | 176 | 36 | 8-30 | 245 | 93 | |
| 150 | 550 | 340 | 280 | 204 | 38 | 8-34 | 265 | 120 | |
| 10.0MPa | 15 | 210 | 105 | 75 | 40 | 20 | 4-14 | 100 | 7 |
| 凹凸法蘭 MFM H41H H41Y H41W H41N 100 100P 100R 100I |
20 | 230 | 125 | 90 | 51 | 22 | 4-18 | 110 | 11 |
| 25 | 230 | 135 | 100 | 58 | 24 | 4-18 | 125 | 13 | |
| 32 | 260 | 150 | 110 | 66 | 24 | 4-23 | 140 | 14 | |
| 40 | 260 | 165 | 125 | 76 | 26 | 4-23 | 168 | 25 | |
| 50 | 300 | 195 | 145 | 88 | 28 | 4-25 | 170 | 28 | |
| 65 | 340 | 200 | 170 | 110 | 32 | 8-25 | 188 | 42 | |
| 80 | 380 | 230 | 180 | 121 | 34 | 8-25 | 205 | 65 | |
| 100 | 430 | 265 | 210 | 150 | 38 | 8-30 | 230 | 95 | |
| 125 | 500 | 310 | 250 | 176 | 42 | 8-34 | 245 | 115 | |
| 150 | 550 | 350 | 290 | 204 | 46 | 12-34 | 265 | 142 | |
| 160 160P 160R 160I | 32 | 260 | 165 | 115 | 85 | 30 | 4-25 | 170 | |
| 40 | 260 | 175 | 125 | 92 | 32 | 4-27 | 190 | ||
| 50 | 300 | 215 | 165 | 132 | 36 | 8-25 | 300 | ||
| 65 | 340 | 245 | 190 | 152 | 44 | 8-30 | 300 | ||
| 80 | 380 | 260 | 205 | 168 | 46 | 8-30 | 370 | ||
| 100 | 430 | 300 | 240 | 200 | 48 | 8-34 | 410 |
溫馨提示:
本文中所有文字、數據、圖片均只適用于參考。需要查看更多的H41國標升降式止回閥性能參數、結構尺寸參數、價格等詳情,或要求印刷樣本,請聯系我們。
主營產品:氣動調節閥 - 電動調節閥 - 自力式調節閥
版版權所有 © 上海大田閥門管道工程有限公司
地址:上海市浦東新區川宏路528號宏圖大樓5樓
