呼吸式安全閥是用于安裝在為車輕油罐車及儲罐上的安全裝置。作用是減少油品的蒸發損耗,保護罐體不在超負荷工作。
控制壓力:+200毫米水柱、-45毫米水柱
訂貨時請指明產品名稱、型號、規格。

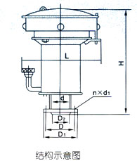
| 規格(DN) | 圖號 | 重量(㎏臺) | 安裝尺寸(毫米) | |||||||
|---|---|---|---|---|---|---|---|---|---|---|
| d | D | D1 | D2 | d1 | L | H | n | |||
| 80 | GYA-80 | 38 | Φ85 | Φ150 | Φ185 | Φ125 | Φ18 | 376 | 424 | 4 |
| 100 | GYA-100 | 42 | Φ105 | Φ170 | Φ205 | Φ145 | Φ18 | 500 | 605 | 4 |
| 150 | GYA-150 | 66 | Φ148 | Φ225 | Φ260 | Φ200 | Φ18 | 650 | 705 | 8 |
| 200 | GYA-200 | 97.2 | Φ210 | Φ280 | Φ315 | Φ255 | Φ18 | 900 | 755 | 8 |
| 250 | GYA-250 | 140.0 | Φ264 | Φ335 | Φ370 | Φ310 | Φ18 | 1050 | 885 | 12 |
主營產品:氣動調節閥 - 電動調節閥 - 自力式調節閥
版版權所有 © 上海大田閥門管道工程有限公司
地址:上海市浦東新區川宏路528號宏圖大樓5樓
