(3PC)Q41F-16/40(C,P,R)
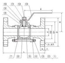
大田閥門公司生產銷售的三片式法蘭球閥,是內螺紋球閥及對焊連接球閥分為整體式。三片式法蘭球閥體鑄造采用臺灣引進的先進工藝,結構合理、造型美觀。 三片式法蘭球閥座采用彈性密封結構,密封可靠,啟閉輕松。 閥桿采用有倒密封的下裝式結構,閥腔異常升壓時,閥桿不會被沖出。接形式另有對焊(BW)承插焊(SW),并均可帶國際標準ISO支架平臺和鎖定裝置。 三片式球閥設置90°開關定位機構,根據需要加鎖以防止誤操作,驅動方式:手動、電動、氣動。 
公稱壓力:1.6-6.4MPa
適用溫度范圍:-20~232℃~350℃
適用介質:水、油、氣及某些腐蝕性液體(W, O, G)
三片式法蘭球閥適用于PN1.0~4.0MPa,工作溫度-29~180℃(密封圈為增強聚四氟乙烯)或-29~300℃(密封圈為對位聚苯)的各種管路上,用于截斷或接通管路中的介質。 選用不同的材質,可分別適用于水、蒸汽、油品、硝酸、醋酸等多種介質。
| 序號NO | 零件名稱Part name | 材質material | |
|---|---|---|---|
| 不銹鋼Stainless stee | 碳鋼Carbon steel | ||
| 1 | 螺栓Bolt | 不銹鋼SS304 | 碳鋼Carbon steel |
| 2 | 彈簧墊圈Washer | 不銹鋼SS304 | 不銹鋼SS304 |
| 3 | 螺母Nut | 不銹鋼SS304 | 碳鋼Carbon steel |
| 4 | 閥蓋Cap | 不銹鋼CF8/CF8M | 碳鋼WCB |
| 5 | 閥體Body | 不銹鋼CF8/CF8M | 碳鋼WCB |
| 6 | 球體Ball | 不銹鋼CF8 | 不銹鋼CF8 |
| 7 | 密封圈Joint ring | 聚四氟乙稀PTFE | 聚四氟乙稀PTFE |
| 8 | 閥桿Stem | 不銹鋼SS316 | 不銹鋼SS304 |
| 9 | 填料Stem packing | 聚四氟乙稀PTFE | 聚四氟乙稀PTFE |
| 10 | 壓緊螺母Gland nut | 不銹鋼SS304 | 不銹鋼SS304 |
| 11 | 彈簧墊圈Washer | 不銹鋼SS304 | 不銹鋼SS304 |
| 12 | 螺母Nut | 不銹鋼SS304 | 不銹鋼SS304 |
| 13 | 手柄Handle | 不銹鋼SS304 | 不銹鋼SS304 |
| SIZE | 1/2″ | 3/4″ | 1″ | 1 1/4″ | 1 1/2″ | 2″ | 2 1/2″ | 3″ | 4″ |
|---|---|---|---|---|---|---|---|---|---|
| d | 15 | 20 | 25 | 32 | 40 | 50 | 65 | 80 | 100 |
| L | 130 | 150 | 160 | 180 | 200 | 230 | 290 | 310 | 350 |
| D | 95 | 105 | 115 | 135 | 145 | 160 | 180 | 195 | 230 |
| D1 | 65 | 75 | 85 | 100 | 110 | 125 | 145 | 160 | 190 |
| D2 | 45 | 55 | 65 | 78 | 85 | 100 | 120 | 135 | 160 |
| b | 14 | 16 | 16 | 18 | 18 | 20 | 22 | 24 | 24 |
| f | 2 | 2 | 2 | 3 | 3 | 3 | 3 | 3 | 3 |
| H | 75 | 95 | 90 | 110 | 130 | 140 | 140 | 180 | 250 |
| W | 130 | 140 | 140 | 170 | 200 | 220 | 220 | 350 | 550 |
| n-do | 4-14 | 4-14 | 4-14 | 4-18 | 4-18 | 8-18 | 8-18 | 8-18 | 8-22 |
主營產品:氣動調節閥 - 電動調節閥 - 自力式調節閥
版版權所有 © 上海大田閥門管道工程有限公司
地址:上海市浦東新區川宏路528號宏圖大樓5樓
